C-EV-0302MTXN 133 85
C-EV-0302M; Modul zum Steuern des Wechselstromladens eines Elektrofahrzeugs; PP, CP, 2x AI/DI, 1x DI (für S0), 1x RO, 1x DO
| DI | 2x AI/DI 1x DI |
|---|---|
| DO | 1x DO 1x RO |
| AI | |
| AO | |
| COM | 1x CIB slave |
| SENSOR |
| Bild | Produktvarianten | Variantenbeschreibung |
|---|---|---|
|
|
C-EV-0302M |
Das Modul C-EV-0302M dient zur Steuerung des Ladens von Elektrofahrzeugen mit Wechselstrom gemäß ENSN EN 61851-1. Zur Ladesteuerung und Rückmeldung enthält das Modul CP- (Control Pilot) und PP-Ausgänge (Proximity-Funktion), die an den Ladeanschluss (Typ 1, Typ 2) angeschlossen sind. Darüber hinaus enthält das Modul einen Relaisausgang zur Steuerung des Schützes der Stromversorgung des Elektrofahrzeugs und einen Halbleiterausgang zur Verbindung mit einem externen Ladesignal. Das Modul enthält außerdem 2 universelle AI / DI-Eingänge und einen Zählereingang zum Zählen von Impulsen über die S0-Schnittstelle vom Stromversorgungszähler.
Das Modul ist für eine DIN-Schienenschalttafel ausgelegt. Es ist über einen Zweidraht-CIB Common Installation Bus® mit dem Foxtrot-Basismodul verbunden.
Das Modul ist für eine DIN-Schienenschalttafel ausgelegt. Es ist über einen Zweidraht-CIB Common Installation Bus® mit dem Foxtrot-Basismodul verbunden.
| Bestellnummer | TXN 133 85 |
|---|---|
| Teco-Code | TXN 133 85 |
| Kategorien | CFox - Module auf DIN-Schiene |
| Stichworte | Nicht in neuen Projekten verwenden |
| COM - Systembusse | |
|---|---|
| CIB - Common Installation Bus (R): Installations-E/A-Bus | 1x CIB slave |
| DI - Parameter der Binäreingänge DC (Gruppe A) | |
| Anzahl der Eingänge pro Gruppe | 1 |
| Kombinierter Eingabetyp | DI - Binärer, balanced, Impulszähler S0 |
| Galvanische Trennung von Eingängen von internen Schaltkreisen | Ja |
| Max. Messspannung am angeschlossenen Kontakt | 15 V DC |
| Interner Eingangswiderstand | 3,3 kΩ |
| max. Widerstand für geschlossenen Kontakt, log. 1 | < 0,8 kΩ |
| Min. Widerstand für offenen Kontakt, log. 0 | > 4,2 kΩ |
| Symmetrischer Widerstandseingang | 1x <3,3 kΩ (tamper/0/1/tamper) |
| DO - Parameter der binären Transistorausgänge (Gruppe A) | |
| Anzahl der Transistorausgänge | 1 |
| Anzahl der Ausgänge pro Gruppe | 1 |
| Ausgabetyp | Halbleiter |
| Ausgangsspannung | 15 V DC |
| Ausgangsstrom | 20 mA |
| RO - Parameter der binären Relaisausgänge (Gruppe A) | |
| Anzahl der Relaisausgänge | 1 |
| Anzahl der Ausgänge in Gruppe | 1 |
| Ausgangstyp | elektromechanisches Relais, ungeschützter Ausgang |
| Kontakttyp | NO - (Normally Open) Umschalten |
| Galvanische Trennung von internen Schaltkreisen | Ja |
| Diagnose | Alarmsignalisierung ein Panel-Modul |
| Schaltstrom | 6 A max. für 250 V AC; 5 A max. für 30 V DC |
| Schaltspannung | 400 V AC max., 30 V DC max. |
| Schaltleistung | Maximal 1500 VA für Wechselstrom, max. 150 W für Gleichstrom |
| Kurzzeitige Ausgangsüberlastbarkeit - inrush | 15 A max. (10 ms max.) |
| Kontaktschlusszeit | typ. 10 ms |
| Kontakt Öffnungszeit | typ. 5ms |
| Mechanische Lebensdauer | Mindest. 30.000.000 Zyklen |
| Behandlung der induktiven Last | Externes RC-Glied, Varistor (AC), Diode (DC) |
| Isolationsspannung zwischen Ausgängen und internen Schaltkreisen | 4000 V AC |
| Isolationsspannung zwischen Ausgangsgruppen untereinander | 4000 V AC |
| Isolationsspannung zwischen den Kontakten | 1000 V AC |
| AI - Analoge Eingangsbereiche (Gruppe A) | |
| Spannung | 0-2 V |
| Spannungseingangsfehler - max. Fehler bei 25 ° C | ± 2,0% des Skalenendwerts |
| Passive Sensor | Pt1000, W100 = 1.385 (-90 bis +400 ° C) |
| Passive Sensor | Pt1000, W100 = 1.391 (-90 bis +400 ° C) |
| Passive Sensor | Ni1000, W100 = 1.500 (–60 bis +200 ° C) |
| Passive Sensor | Ni1000, W100 = 1,617 (-60 bis +200 ° C) |
| Passive Sensor | Widerstandsmessumformer 0-100 kOhm |
| Passive Sensor | KTY81-121; PTC Thermistor (-55 bis + 125 °C) |
| Passive Sensor | NTC Thermistor NTC 12k / 25 °C (-40 bis + 125 °C) |
| DI: Spannungsfreier Kontakt | 0 wenn> 1,5 kOhm, 1 wenn <0,5 kOhm |
| DI: Symmetrischer Widerstandseingang | 2x 1k1 (tamper/0/1/tamper) |
| Widerstandsmessfehler - maximaler Fehler bei 25 ° C | ± 2% des Skalenendwerts |
| Stromversorgung | |
| Versorgungsspannung, Toleranzen | 24 V DC, +25%, -15%, SELV |
| Stromversorgung über CIB - Spannung | 24/27 V DC |
| Maximaler Stromverbrauch | 2 W |
| Stromversorgung über CIB - maximale Stromaufnahme (mA) | 85 mA |
| Galvanische Trennung der Stromversorgung von internen Schaltkreisen | Ja |
| Interner Schutz | Nein |
| Abmessungen und Gewicht | |
| Gewicht ca. | 125 g |
| Produktabmessungen (Breite x Höhe x Tiefe) | 52 x 90 x 58 mm |
| Betriebsbedingungen, Produktnormen | |
| Produktstandard | ČSN EN 60730-1 ed. 2:2001 (mod IEC 60730-1:1999) |
| Elektrische Schutzklasse | I, nach ČSN EN 61140 ed.3: 2016 (idt IEC 61140:2016) |
| IP-Schutzgrad gemäß ČSN EN 60529: 1993 (idt IEC 529: 1989) | IP10B |
| Arbeitsbereiche | Normal, gemäß ČSN 33 2000-1 ed.2: 2009 (mod IEC 60354-1: 2005) |
| Grad der Verschmutzung | 1, gem. ČSN EN 60664-1 ed.2:2008 ( idt IEC 60664-1:2007) |
| Überspannungskategorie Installation | II, gemäß EN 60664-1 ed_2: 2008 (idt IEC 60641-1: 2007) |
| Art des Geräts | Modul auf DIN-Schiene |
| Arbeitshaltung | Vertikal |
| Art des Betriebs (Betriebsfrequenz) | Permanent |
| Umgebungsbetriebstemperaturen | –10 ° C bis +70 ° C. |
| Relative Luftfeuchtigkeit im Betrieb | 10% bis 95% ohne Kondensation |
| Betriebsatmosphärendruck | Mindest. 70 kPa (<3.000 m über dem Meeresspiegel) |
| Lagertemperaturen | -25 °C bis + 70 °C |
| Elektromagnetische Verträglichkeit, mechanische Beständigkeit | |
| Elektromagnetische Verträglichkeit / Emissionen | B, nach EN 55032 ed. 2: 2017 (idt CISPR 32: 2015) |
| Elektromagnetische Verträglichkeit / Störfestigkeit | min. gemäß ČSN EN 60730-1 ed.2: 2001 |
| Widerstand gegen sinusförmige Schwingungen | 10 Hz bis 57 Hz Amplitude 0,075 mm, 57 Hz bis 150 Hz Beschleunigung 1 G (Fc-Test gemäß EN 60068-2-6: 1997 (idt IEC 68-2-6: 1995), 10 Zyklen in jeder Achse.) |
| Installation | |
| Montagebeschreibung | Das Modul wird vertikal auf der U-Schiene ČSN EN 50022 montiert. Die Installation der Baugruppe (Basismodul und möglicherweise Peripheriemodule) erfolgt gemäß TXV 004 13. |
| Sensorinstallation |
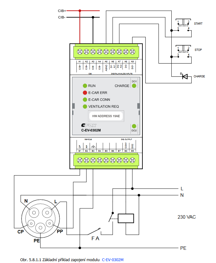
The power supply of the module is from the CIB bus. The CIB Comon Installation Bus® can have any topology and branching up to a distance of 500 m and up to 32 units on one CIB branch. The maximum consumption of all modules in one CIB branch is limited to 1A. The device contains a bus according to the IEC 61851-1 standard for controlling the AC charging of electric vehicles. DO1 is used to connect the charging indicator diode. The diode is connected to DO1 directly without resistance. This LED indicates that the electric car is charging. The E-CAR ERR LED indicates an error on the bus for charging electric cars, or a disconnected electric car during charging. The E-CAR CONN LED indicates the connection of the electric car. The VENTILATION REQ LED indicates space ventilation request during charging. The CHARGE LED indicates that the electric car is charging. |
| Verbindung | |
| Verbindungsbeschreibung |
Die Stromversorgung des Moduls erfolgt über den CIB-Bus. Der CIB Comon Installation Bus® kann eine beliebige Topologie und Verzweigung bis zu einer Entfernung von 500 m und bis zu 32 Einheiten in einer CIB-Verzweigung aufweisen. Der maximale Verbrauch aller Module in einem CIB-Zweig ist auf 1A begrenzt. Das Gerät enthält einen Bus gemäß der Norm IEC 61851-1 zur Steuerung des Wechselstromladens von Elektrofahrzeugen. Mit DO1 wird die Ladeanzeigediode angeschlossen. Die Diode ist ohne Widerstand direkt mit DO1 verbunden. Diese LED zeigt an, dass das Elektroauto aufgeladen wird. Die E-CAR ERR-LED zeigt einen Fehler im Bus beim Laden von Elektroautos oder ein nicht angeschlossenes Elektroauto während des Ladevorgangs an. Die E-CAR CONN LED zeigt den Anschluss des Elektroautos an. Die LED VENTILATION REQ zeigt an Raumlüftungsanforderung während des Ladevorgangs. Die CHARGE-LED zeigt an, dass das Elektroauto aufgeladen wird. |
| Stromversorgung und Systemkommunikation | Stecker mit 2,5 mm2 Schraubklemme |
| Modulbetrieb | |
| Modulkonfiguration | Das Modul wird in der Mosaic-Entwicklungsumgebung bedient, eingestellt und diagnostiziert. |
| Moduldiagnose | Die Basisdiagnose wird intern durchgeführt und das Ergebnis ist in den entsprechenden Registern der Mosaikumgebung verfügbar. Das Modul enthält eine Anzeige-LED zur Überprüfung des Status der Ein- / Ausgänge. Durch Drücken der Taste Manuelle Steuerung kann das Modul in den manuellen Modus geschaltet und die einzelnen Ausgänge gesteuert werden. |
| Wartung | |
| Beschreibung | Das Modul ist unter allgemeinen Installationsbedingungen wartungsfrei. Die Arbeiten, bei denen ein Teil des Moduls zerlegt werden muss, müssen immer bei abgeschalteter Versorgungsspannung durchgeführt werden. |
| Beachten | Da das Modul Halbleiterkomponenten enthält, müssen beim Umgang mit der entfernten Abdeckung die Grundsätze für die Arbeit mit elektrostatisch empfindlichen Komponenten beachtet werden. Ohne Schutzmaßnahmen dürfen die Leiterplatten nicht direkt berührt werden !!! |
| Garantie | |
| Allgemein | Die Garantie- und Reklamationsbedingungen unterliegen den Allgemeinen Geschäftsbedingungen von Teco a.s. |
| Beachten | Sie müssen alle Bedingungen dieser Dokumentation erfüllen, bevor Sie das System einschalten. Das System darf nicht in Betrieb genommen werden, es sei denn, es wurde überprüft und bestätigt, dass die Maschinen, zu denen das System gehört, den Anforderungen der Richtlinie 89/392 / EWG entsprechen, soweit sie für sie gelten. Dokumentation freibleibend. |
HW-Dokumentation
C-EV-0302M Basisdokumentation
0,00 B, (DE)
Bedienungsanleitung
Peripheriemodule am CIB Common Installation Bus(R) (en)
0,00 B, (EN, RU, DE, UA)
EC - Konformitätserklärung
Foxtrot - EC Declaration of conformity
0,00 B, (EN, RU, DE, UA)
- Function block fbEVSEChargerAC and its use with C-EV-0302M - The function block enables operation and control of electric vehicle charging by AC module C-EV-0302M . This FB is based on the involvement in the following article . The unit can be operated in several charging modes. Automat...
- operation of the C-EV-0302M module - The EVSE_AC_lib library contains a function block for charging electric vehicles using the CIB module C-EV-0302M . EVSE_AC_lib is supported by all Foxtrot variants. The library does not require an application profile. The function block enab...
- C-EV-0302M - ...ignal is used by the car electronics as information about the connected charging cable; the signal is controlled by the C-EV-0302M module . The CP signal is used both to control the charging current in the range from about 5%...
- Control of 1f charging of an electric car by the C-EV-0302M module - ...he charging station for charging with alternating current from the 230V distribution network, single-phase design using the C-EV-0302M module. The example shows a 1f Type 1 charging connector (according to SAE J1772 and IEC 62196-2 ), which is...
- Power dissipation of modules for calculation of switchboard heating - ...3x AI, 8X DI, 1x AO, 8x RO, ext. power supply C-RM-1109M 4,0 W TXN 133 85 C-EV-0302M; EV charging control module EV C-EV-0302M 2,0 W TXN 133 92...
- Charging control for electric vehicles - ...also with the possibility of controlling charging priorities, etc. Using the Foxtrot system supplemented by the C-EV-0302M module, we can control the charging of one or more electric cars depending on the current operation of other elect...
- Connection of CP-1091 for efficient control of energy produced from PV and HFVE - ...ses, smaller companies, but also larger network installations with several 3-phase heaters and 3-phase PV. By adding eg a C-EV-0302M module an assembly is created which, in addition, can efficiently and effectively charge one or more electri...
- Electric car charging and supervision from Foxtrot - With the development of electromobility, more support for charging infrastructure is also required. Thanks to the C-EV-0302M module, connected to the CIB bus, it is possible to control and integrate the charging of electric vehicles up to 2...
Keine Daten verfügbar.
Deutsch