R-DL-0203L-A, Steuerung 3x DALITXN 142 22.A
R-DL-0203L-A; RFox2, 2x AI / DI, 3x DALI (Broadcast), Typ A Radio
| DI | 2 AI/DI |
|---|---|
| DO | 3x PWM (Wechsel der DALI-Ausgänge) |
| AI | 2 AI / DI siehe DI |
| AO | |
| COM | |
| SENSOR |
| Bild | Produktvarianten | Variantenbeschreibung |
|---|---|---|
|
|
R-DL-0203L-A, Steuerung 3x DALI |
R-DL-0203L-A; RFox2, 2x AI / DI, 3x DALI (Broadcast), Typ A Radio
| Bestellnummer | TXN 142 22.A |
|---|---|
| Teco-Code | TXN 142 22.A |
| Kategorien | RFox2 - DIN-Schienenmodule |
| Stichworte | - |
| COM - Serielle Kanäle | |
|---|---|
| Kommunikationsinterface DALI | 3x DALI master |
| Der Umfang jeder DALI-Zeile | 4 Adressen / Unterstationen |
| COM - Drahtloses Netzwerk | |
| Gerätetyp im drahtlosen RFox2-Netzwerk | RFox2 Slave |
| Kommunikationsfrequenzband | 868,1 MHz |
| Sendeleistung | +14 dBm |
| Eingangsempfindlichkeit | –108 dBm |
| Modulationsart | 2-GFSK |
| Kommunikationsgeschwindigkeit | 50 kbps |
| DI - Parameter der Binäreingänge DC (Gruppe A) | |
| Parameter gültig für Eingänge an den Klemmen | AI/DI1, AI/DI2 |
| Anzahl der Eingänge pro Gruppe | 2 |
| Gemeinsamer Draht | minus |
| Kombinierter Eingabetyp | DI/AI Aktiv, zum Erfassen Potentialfreier Kontakte und zum Messen von Widerstandssensoren |
| Galvanische Trennung von Eingängen von internen Schaltkreisen | Nein |
| Eingangsstrom bei Log. 1 (typ.) | 0,5 mA typ. |
| DO - Parameter der binären Transistorausgänge (Gruppe A) | |
| Parameter gültig für die Terminals | DA-. DA1+, DA2+ DA3+, (A2, A3, A4, A5) |
| Anzahl der Transistorausgänge | 3 |
| Anzahl der Ausgabegruppen | 1 |
| Anzahl der Ausgänge pro Gruppe | 3 |
| Gemeinsamer Gruppenleiter | Minus |
| Ausgabetyp | Low-side |
| Ruhepegel | 24 V DC + -5% |
| Schaltstrom, Ausgangslast | 100 mA max. |
| Spezialfunktionen (A) | PWM |
| Spezialfunktionen (B) | DALI. bidirektionaler Master |
| Arbeitsfrequenz | 1 Hz - 1kHz |
| Wechseleinstellungen | 0 – 100 % |
| Stromversorgung | |
| Versorgungsspannung, Toleranzen | 90 – 270 V AC |
| Eingangsspannungsfrequenz | 50-60 Hz |
| Maximaler Stromverbrauch | 2 W |
| Galvanische Trennung der Stromversorgung von internen Schaltkreisen | Nein |
| Isolationsspannung der galvanischen Trennung | 3 000 VDC |
| Interner Schutz | Ja, nicht erstattbar |
| Abmessungen und Gewicht | |
| Gewicht ca. | 75 g |
| Produktabmessungen (Breite x Höhe x Tiefe) | 35 × 92 × 40 mm |
| Betriebsbedingungen, Produktnormen | |
| Produktstandard | EN 60730-1 ed.4: 2017 (EN 60730-1: 2016) - Automatische elektrische Steuergeräte (Haushaltsgeräte und ähnliche) |
| Elektrische Schutzklasse | II, nach ČSN EN 61140 ed.3: 2016 (idt IEC 61140:2016) |
| IP-Schutzgrad gemäß ČSN EN 60529: 1993 (idt IEC 529: 1989) | IP20 |
| Arbeitsbereiche | Normal, gemäß ČSN 33 2000-1 ed.2: 2009 (mod IEC 60354-1: 2005) |
| Grad der Verschmutzung | 1, gem. ČSN EN 60664-1 ed.2:2008 ( idt IEC 60664-1:2007) |
| Überspannungskategorie Installation | II, gemäß EN 60664-1 ed_2: 2008 (idt IEC 60641-1: 2007) |
| Art des Geräts | Modul auf DIN-Schiene |
| Arbeitshaltung | Beliebig |
| Art des Betriebs (Betriebsfrequenz) | Permanent |
| Umgebungsbetriebstemperaturen | -20 °C bis + 55 °C |
| Relative Luftfeuchtigkeit im Betrieb | 10% bis 95% ohne Kondensation |
| Betriebsatmosphärendruck | Mindest. 70 kPa (<3.000 m über dem Meeresspiegel) |
| Lagertemperaturen | -25 °C bis + 70 °C |
| Elektromagnetische Verträglichkeit, mechanische Beständigkeit | |
| Elektromagnetische Verträglichkeit / Emissionen | B, nach EN 55032 ed. 2: 2017 (idt CISPR 32: 2015) |
| Elektromagnetische Verträglichkeit / Störfestigkeit | min. gemäß ENSN EN 60730-1 ed.3: 2012 |
| Widerstand gegen sinusförmige Schwingungen | 10 Hz bis 57 Hz Amplitude 0,075 mm, 57 Hz bis 150 Hz Beschleunigung 1 G (Fc-Test gemäß EN 60068-2-6: 1997 (idt IEC 68-2-6: 1995), 10 Zyklen in jeder Achse.) |
| Verpackung, Transport, Lagerung | |
| Beschreibung | Das Modul ist in einer Papierbox verpackt. Diese Dokumentation ist ebenfalls Teil des Pakets. Die Umverpackung erfolgt gemäß dem Umfang der Bestellung und der Transportart in einer Transportverpackung, die mit Etiketten und anderen für den Transport erforderlichen Daten versehen ist. Das Produkt darf während des Transports und der Lagerung keinen direkten Witterungsbedingungen ausgesetzt werden. Das Mälzen des Produkts ist nur in Reinräumen ohne leitfähigen Staub, aggressive Gase und Dämpfe zulässig. Die am besten geeignete Lagertemperatur beträgt 20 ° C. |
| Verbindung | |
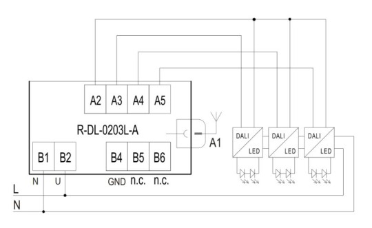
| Verbindungsbeschreibung | Ein Beispiel für die Modulverbindung ist in der folgenden Abbildung dargestellt. Als Antenne kann jeder Typ verwendet werden, der für das 868-MHz-Band mit einem SMA-Anschluss (Pin) ausgelegt ist. |
| Warnungen / Vorsichtsmaßnahmen | VORSICHT: Das Gerät enthält Teile mit gefährlicher Spannung, trennen Sie die entsprechenden Stromkreise oder schalten Sie die Stromversorgung aus, bevor Sie die Abdeckungen entfernen oder die Verkabelung handhaben! |
| Modulbetrieb | |
| Inbetriebnahme | Das Modul wird im RFox2-Funknetz als Peripheriemodul betrieben, die Einstellungen werden im Projektmanager der Mosaic-Programmierumgebung vorgenommen, siehe TXV 003 93-Handbuch mit der Beschreibung von RFox2Lib. |
| Moduldiagnose | Die Basisdiagnose wird intern durchgeführt und das Ergebnis ist in den entsprechenden Registern der Mosaikumgebung verfügbar. |
| Wartung | |
| Beschreibung | Das Modul ist unter allgemeinen Installationsbedingungen wartungsfrei. |
| Warnung | Da das Modul Halbleiterkomponenten enthält, müssen bei der Handhabung die Grundsätze für die Arbeit mit elektrostatisch empfindlichen Komponenten beachtet werden. Reparaturen dürfen nur vom Servicecenter des Herstellers oder einem autorisierten Servicecenter des Herstellers durchgeführt werden. |
| Garantie | |
| Allgemein | Die Garantie- und Reklamationsbedingungen unterliegen den Allgemeinen Geschäftsbedingungen von Teco a.s. |
| Beachten | Sie müssen alle Bedingungen dieser Dokumentation erfüllen, bevor Sie das System einschalten. Das System darf nicht in Betrieb genommen werden, es sei denn, es wurde überprüft und bestätigt, dass die Maschinen, zu denen das System gehört, den Anforderungen der Richtlinie 89/392 / EWG entsprechen, soweit sie für sie gelten. Dokumentation freibleibend. |
HW-Dokumentation
R-DL-0203L-A - Grundlegende Dokumentation
173,13 kB
Keine Daten verfügbar.
Keine Daten verfügbar.
Deutsch