C-DL-0064MTXN 133 54
C-DL-0064M; CIB-DALI converter, for 64 DALI ballasts
| DI | |
|---|---|
| DO | |
| AI | |
| AO | |
| COM | 1x CIB 1x DALI/DSI |
| SENSOR |
| Picture | Variant | Variant description |
|---|---|---|
|
|
C-DL-0064M |
The C-DL-0064M module is designed for address control of up to 64 ballasts connected to the DALI bus according to the specification:
NEMA Standards Publication 243-2004 Digital Addressable Lighting Interface (DALI) Control Devices Protocol PART 2-2004.
As of FW version v.1.5, the module can also be used as a CIB-DSI protocol converter.
Signals from both CIB and DALI (DSI) buses are fed to the screw terminals.
The power supply of the module is from an external 24 V DC source outside the CIB bus. The module ensures galvanic separation of both buses from each other.
The module is designed for a DIN rail switchboard. It is connected to the Foxtrot basic module via a two-wire CIB Common Installation Bus®.
NEMA Standards Publication 243-2004 Digital Addressable Lighting Interface (DALI) Control Devices Protocol PART 2-2004.
As of FW version v.1.5, the module can also be used as a CIB-DSI protocol converter.
Signals from both CIB and DALI (DSI) buses are fed to the screw terminals.
The power supply of the module is from an external 24 V DC source outside the CIB bus. The module ensures galvanic separation of both buses from each other.
The module is designed for a DIN rail switchboard. It is connected to the Foxtrot basic module via a two-wire CIB Common Installation Bus®.
| Order num. | TXN 133 54 |
|---|---|
| Teco code | TXN 133 54 |
| Categories | CFox - Modules on DIN rail |
| Tags | - |
| COM - Serial channels | |
|---|---|
| Communication interface DALI | 1x DALI master |
| The scope of each DALI line | 64 addresses / substations |
| Insulation voltage between buses | 2,5 kV AC |
| COM - System buses | |
| CIB - Common Installation Bus (R): Installation I/O bus | 1x CIB slave |
| Power supply | |
| Nominal supply voltage (V) | 27,2 V DC |
| Power supply from CIB - typical current consumption (mA) | 30 mA |
| Power supply from CIB - maximum current consumption (mA) | 210 mA |
| Power supply from CIB - internal protection | Yes, returnable fuse |
| Size and weight | |
| Weight approx. | 70 g |
| Product dimensions (width x height x depth) | 35 x 90 x 58 mm |
| Module width in multiples of M (17.5 mm) | 2M |
| Module width | 35 mm |
| Module height | 90 mm |
| Module depth | 58 mm |
| Operating conditions, product standards | |
| Product standard | ČSN EN 60730-1 ed. 2:2001 (mod IEC 60730-1:1999) |
| Protection class of electrical object | III, according to ČSN EN 61140: 2003 (idt IEC 61140: 2001) |
| IP rating (Ingress Protection) according to ČSN EN 60529: 1993 (idt IEC 529: 1989) | IP10B |
| Operating areas | Normal, acc. ČSN 33 2000-1 ed.2: 2009 (mod IEC 60354-1:2005) |
| Overvoltage category installation | II, acc. ČSN EN 60664-1:2004 (mod IEC 606641:1992) |
| Type of device | Module on DIN rail |
| Working position | Any |
| Type of operation (operating frequency) | Continuous |
| Ambient operating temperatures | 0 ° C to + 70 ° C |
| Operating temperature maximum (° C) | +70°C |
| Operating temperature minimum (° C) | 0°C |
| Operating relative humidity | from 10 % up to 95 % without condensation |
| Operating atmospheric pressure | min. 70 kPa (<3,000 m above sea level) |
| Storage temperatures | –25 ° C to + 85 ° C |
| Electromagnetic compatibility, Mechanical endurance | |
| Electromagnetic compatibility / Emission | ČSN EN 55022 ed2:2007 (mod CISPR22:2005) |
| Electromagnetic compatibility / Immunity | min. according to ČSN EN 60730-1 ed.2: 2001 |
| Sinusoidal vibration endurance | 10 Hz to 57 Hz, amplitude 0,075 mm, 57 Hz to 150 Hz, acceleration 1 G (Fc test according to EN 60068-2-6: 1997 (idt IEC 68-2-6: 1995), 10 cycles per axis.) |
| Packaginng, transportation, storage | |
| Description | The module is packed in a paper box. This documentation is also part of the package. The outer packaging is carried out according to the scope of the order and the method of transport in a transport package provided with labels and other data necessary for transport. The product must not be exposed to direct weather conditions during transport and storage. Malting of the product is only allowed in clean rooms without conductive dust, aggressive gases and vapors. The most suitable storage temperature is 20 ° C |
| Installation | |
| Assembly description | Mounting on DIN rail 35 / 7.5 (U) in the switchboard |
| Connection | |
| Connection of power and system communication | terminal block with screw terminal 2.5 mm2 |
| Cross-section of connected wires fixed (min) | 0,35 mm2 |
| Cross-section of connected wires fixed (max) | 2,5 mm2 |
| Cross-section of connected wires stranded (min) | 0,35 mm2 |
| Cross-section of connected wires stranded (max) | 2,5 mm2 |
| Module operation | |
| Module configuration | The module is operated, set up and diagnosed from the Mosaic development environment. |
| Maintenance | |
| Description | The module does not require any maintenance under general installation conditions. |
| Notice | Because the module contains semiconductor components, it is necessary to follow the principles for working with electrostatic sensitive components when handling the removed cover. It is not allowed to directly touch the printed circuit boards without protective measures !!! |
| Warranty | |
| Generally | Warranty and complaint conditions are governed by the Terms and Conditions of Teco a.s. |
| Notice | You must meet all the conditions of this documentation before turning on the system. The system must not be put into service unless it has been verified and confirmed that the machinery meets the requirements of Directive 89/392 / EEC, in so far as it applies to it. Documentation subject to change. |
HW documentation
C-DL-0064M - Basic documentation
481.15 kB
C-DL-0064M Basic Documentation
0.00 B, (EN)
User manuals
Peripheral modules on the CIB Common Installation Bus(R) (en)
0.00 B, (EN, RU, DE, UA)
Files for designers
C-DL-0064M - technical drawing M01 DXF
130.09 kB
C-DL-0064M - technical drawing M01 DWG
75.06 kB
C-DL-0064M - technical drawing S01 DWG
52.09 kB
C-DL-0064M - technical drawing S01 DXF
46.57 kB
EC - Declaration of Conformity
Foxtrot - EC Declaration of conformity
0.00 B, (EN, RU, DE, UA)
- C-DL-0064M - ...ted against a short circuit by an internal electronic resettable fuse. Fig. .1. The signal layout on the C-DL-0064M module terminals....
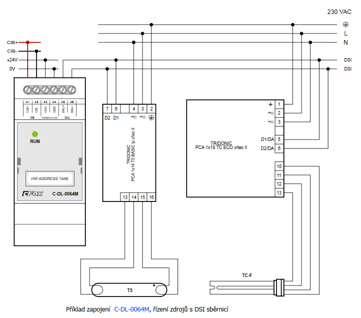
- The DSI ballasts control, module C-DL-0064M - The C-DL-0064M module can be set in the mode of the protocol converter CIB – DSI . It is designed to connect lighting devices with DSI protocol of Tridonic company. The signals of CIB and DALI buses are brought to screw terminals...
- DALI ballast control, module C-DL-0064M - The C-DL-0064M module is a protocol converter CIB – DALI . It is intended for the connection of lighting devices with the DALI protocol according to the specification: NEMA Standards Publication 243-2004. Digital Addressable Lighting...
- Power dissipation of modules for calculation of switchboard heating - ...1x PWM (4W), 2x AI (AC resistance measurement) C-IS-0504M 2,0 W TXN 133 54 C-DL-0064M; CIB-DALI converter, for 64 DALI ballasts C-DL-0064M 2,0 W TXN 133 55...
- Dimming – DALI and DSI interface - ...up to 12 ballasts there is the small built-in module C-DL-0012S , for larger installations with up to 64 ballasts, the C-DL-0064M module . The DSI protocol was designed by TRIDONIC in 1991 to control lighting ballasts. It was...
- Library blocks for DALI2 for chromaticity temperature control - ...e physical layer of this bus does not change, so DALI2 in Foxtrot also works with the existing converters from CIB to DALI: C-DL-0064M and C-DL-0012S and the innovation takes place only in the SW part. The upgraded library is called...
No data available.
English