CP-1004TXN 110 04

CP-1004, CPU, ETH100/10, 1xRS232, 1xSCH, 4xDI/AI, 4xDI/HSC, 6xRO 230 V/ 3A,1xCIB

DI 4x DI/AI
4x DI/HSC
DO 6x RO
AI 4x AI / DI
see DI
AO
COM 1x ETH
1x RS-232
1-3x Serial Channel (1x free slot)
1x TCL2
1x CIB
SENSOR
Picture Variant Variant description
CP-1004
CP-1014
CP-1004, CPU, ETH100/10, 1xRS232, 1xSCH, 4xDI/AI, 4xDI/HSC, 6xRO 230 V/ 3A,1xCIB
Order num. TXN 110 04
Teco code TXN 110 04
Categories Foxtrot 1 - Basic modules
Tags Sales and production discontinued
System parameters of the central unit
Row of central unit K
User program memory 192 + 64 kB
Memory for user variables / including RETAIN variables 64 kB/32 kB
Instruction length 2 ÷ 10 bytes
Backup of program source code in PLC Yes, in program backup memory (EEPROM)
On-line program change in PLC Yes, including I / O configuration change
Memory for project archiving - internal 2 MB
DataBox - additional internal data memory 512 kB
Optional memory card slot SD - Card Slot
Cycle time per 1k of logic instructions 0,2 ms
Development environment Mosaic
Programming languages ST, IL, LD, FBD, SFC, CFC
RTC - Real time circuit No
RAM and RTC backup 1) without / with backup battery type. 500 hr / typ. 20,000 hours
Integrated Web server Yes
Integrated Datalogger Yes
Access to PLC variables via web API Yes
Notice 1) Applies to the basic module without power supply, the backup circuits are disconnected when the power supply is switched on 2) The serial interface CH1 is permanently equipped with an RS-485 interface. The serial interface type CH2 to CH4 is selectable via interchangeable submodules
COM - Communication - IP/Ethernet
Ethernet 10/100 Mb (ETHx) 1
Available system modes on ETH and WLAN UNI, PC, PLC, PLD
TCP / IP protocol Yes
UDP protocol No
HTTP protocol No
WebSocket protocol No
Protocol MODBUS/TCP No
SMTP protocol No
IEC 60870-5-104 protocol No
REST API No
COM - Serial channels
max. number of optional serial channels in the basic module 4
max. number of expanding serial channels on the TCL2 bus 6
Number of internal RS-232 serial channels 1
Available system modes on CH5-10 UNI, CSJ (CAN)
Modbus RTU / ASCII master protocol No
Modbus protocol RTU/ASCII slave No
Profibus DP master protocol (<180 kbit/s) No
COM - System buses
TCL2 - system I/O bus 1x TCL2 master
TCL2 - Range of one branch of the system I/O bus 10 I / O modules + 4 operator panels + 6 serial channels
The communication rate of the system I / O bus 345 kbps
System I / O bus terminating resistor 120 Ω
CIB - Common Installation Bus (R): Installation I/O bus 1x CIB master (100 mA)
CIB - Address range of one branch of the installation bus 32 CFox I/O modules
DI - Parameters of binary inputs DC (group A)
Common wire minus
Input type Type 1 (IEC) - passive
Galvanic separation of inputs from internal circuits No
Diagnostics indication of energized input by LED on module panel
Input voltage for log. 0 0 V DC; -5 V DC min.; +5 V DC max.
Input voltage for log. 1 24 V DC; 15 V DC min.; 30 V DC max.
Input current at log. 1 (typ.) 5 mA typ.
Delay from log. 0 to log. 1 5 μs
Delay from log. 1 to log. 0 5 μs
The minimum width of the captured pulse 50 μs
Notice Note that GND terminals in 24 V DC and DIGITAL / SPECIAL INPUTS they are connected inside the system. It is not desirable to connect the GND terminal in the DIGITAL / SPECIAL INPUTS with negative pole power supply system also inputs because it would over the second GND terminal closed the loop and thereby potentially induced interfering signals.
HSC - Special functions of binary inputs / counters
Unidirectional counter (UP) 2x (DI0); (DI2)
Two unidirectional counters (UP / UPB) 2x (DI0/DI2); (DI2/DI3)
Bidirectional counter (UP/DOWN) 2x (DI0/DI1); (DI2/DI3)
Counter with direction control (CLK/DIR) 2x (DI0/DI1); (DI2/DI3)
Bi-directional counter with reset and intercept (UP / DOWN / CLR / CAP) 1x (DI0/DI1/DI2/DI3)
Counter with direction control with reset and latch (CLK / DIR / CLR / CAP) 1x (DI0/DI1/DI2/DI3)
IRC Basic (V/G) 2x (DI0/DI1); (DI2/DI3)
IRC with Zero and Capture (V / G / NI / MD) 1x (DI0/DI1/DI2/DI3)
Measure the pulse length 4x (DI0,DI1, DI2, DI3)
Period measurement 4x (DI0,DI1, DI2, DI3)
RO - Parameters of binary relay outputs (group A)
Parameters valid for the terminals DO0-DO5
Number of relay outputs 6
Number of output groups 2
Number of outputs in group 3
Diagnose Alarm signaling on panel module
Switching current 3 A max., 100 mA min.
Switching voltage 250 V AC max., 5 V AC min., 30V DC max.
Short-term output overload - inrush 4 A max.
Current through common clamp 10 A max.
Contact closing time typ. 10 ms
Contact opening time typ. 4 ms
Limit values of switched resistive load max. 3A at 30 V DC or 230 V AC
Switching inductive load limits DC13 max. 3 A at 30 V DC
Switching inductive load limits AC15 max. 3 A at 230 V AC
Switching frequency without load max. 300 switching / min.
Switching frequency with rated load max. 20 switching / min.
Mechanical life min. 5,000,000 cycles
Electrical life at maximum resistive load min. 100,000 cycles
Electrical life at maximum load inductive DC13 min. 100,000 cycles
Electrical life at maximum load inductive AC15 min. 100,000 cycles
Short-circuit protection No
Treatment of inductive load External RC element, varistor (AC), diode (DC)
Insulation voltage between outputs and internal circuits 3750 V AC
Isolation voltage between groups of outputs to each other 3750 V AC
AI - Organization of analog inputs
Total number of analog inputs 4
Number of inputs per group 4
Number of analog input groups 1
Organization of analog inputs into groups 4x (DI4/AI0-DI7/AI3)
Input type With common clamp
Common wire Minus
Galvanic separation from internal circuits No
Diagnostics overload signaling in status word
Converter type Approximation
conversion time 20 μs
Operating modes periodic input sensing
AI - Analog Input Ranges (Group A)
Voltage 0 to 10 V / 2,579 mV
Voltage input error - repeatability under steady state conditions 0.05% of full scale
Permissible continuous overload - voltage input -20 V to +30 V
Open input detection No
Power supply
Nominal supply voltage (V) 24 V DC
Supply voltage, tolerances 24 V DC, +25%, -15%, SELV
Supply voltage when backing up with an external battery 27 V DC, +10%, –15%, SELV
Typical power input 5 W
Maximum power input 8 W
Module thermal/power loss 6 W
Maximum current consumption (mA) 400 mA
Galvanic separation of power supply from internal circuits No
Internal protection Yes, PTC reversible fuse
Description of power supply Difference between typical and maximum power input is given by possible load of CIB buses and number of switched outputs and CPU load
CIB branch power supply - parameters of the built-in master 1x 100 mA/ 24 V DC
Size and weight
Weight approx. 200 g
Product dimensions (width x height x depth) 105 x 92 x 63 mm
Product dimensions (width x height x depth) 105 x 92 x 63 mm
Module width in multiples of M (17.5 mm) 6M
Module width 105 mm
Module height 92 mm
Module depth 63 mm
Operating conditions, product standards
Product standard ČSN EN 61131-2: 2005 (idt IEC61131-2: 2003) - Programmable control units
Protection class of electrical object II, according to ČSN EN 61140: 2003 (idt IEC 61140: 2001)
IP rating (Ingress Protection) according to ČSN EN 60529: 1993 (idt IEC 529: 1989) IP20
Operating areas Normal, according to ČSN 33 2000-3: 1995 (mod IEC 364-3: 1993)
Degree of pollution 1, according to ČSN EN 60664-1: 2004 (mod IEC 60664-1: 1992)
Overvoltage category installation II, acc. ČSN EN 60664-1:2004 (mod IEC 606641:1992)
Type of device Module on DIN rail
Working position Vertical
Type of operation (operating frequency) Continuous
Ambient operating temperatures -20 °C to + 55 °C
Operating relative humidity from 10 % up to 95 % without condensation
Operating atmospheric pressure min. 70 kPa (<3,000 m above sea level)
Storage temperatures –25 °C to +70 °C
Electromagnetic compatibility, Mechanical endurance
Electromagnetic compatibility / Emission A, according to EN 55022: 1999 (mod CISPR22: 1997)
Emmisions - note In premises where the use of radio and television receivers can be expected to be used a distance of 10 m from these devices may cause radio interference. In such a case, the user may be required to take appropriate action.
Electromagnetic compatibility / Immunity min. as required by EN 61131-2: 2007
Sinusoidal vibration endurance 10 Hz to 57 Hz, amplitude 0,075 mm, 57 Hz to 150 Hz, acceleration 1 G (Fc test according to EN 60068-2-6: 1997 (idt IEC 68-2-6: 1995), 10 cycles per axis.)
Packaginng, transportation, storage
Description The module is packed in a paper box according to the internal packing instructions. This documentation is also part of the package. The outer packaging is carried out according to the scope of the order and the method of transport in a transport package provided with transport labels and other data necessary for transport.

Transport from the manufacturer is carried out in the manner agreed upon when ordering. The transport of the product by the customer's own means must be carried out by covered means of transport, in the position specified by the label on the packaging. The box must be stored in such a way that it does not move spontaneously and the outer packaging is not damaged.

The product must not be exposed to direct weather conditions during transport and storage. Transport is permitted at temperatures of -25 ° C to +70 ° C, relative humidity of 10% to 95% (non-condensing) and a minimum atmospheric pressure higher than 70 kPa.

The product may only be stored in clean rooms free of conductive dust, aggressive gases and vapors. The most suitable storage temperature is 20 ° C.
Installation
Assembly description Switchboard mounting
Assembly description The basic module is mounted vertically on the U-rail ČSN EN 50022. Installation of the assembly (basic module and peripheral modules, if any) is carried out according to TXV 004 10.
Exchangeable submodules The optional MR-01xx submodules with serial channel 2 interface are mounted on the center plate in the CP-10x0 basic module to the position indicated in Fig. 7.1. To add or replace a submodule with a serial channel interface, release the latches on
Exchangeable submodules The optional MR-01xx serial interface submodules are fitted to the CP-1004 basic module on the center plate to the position indicated in Fig. 7.1. If necessary, the installation or replacement of a submodule with a serial channel interface is required Use a screwdriver to release the latches on the bottom of the housing. After removing the lower part of the case, remove it the board assembly from the rest of the housing (by gently pressing the inner board assembly downward on the Slide the Ethernet connector down). After removing the top plate with indication and connector The Ethernet interface is a replaceable submodule accessible. After installing the submodule boards carefully insert into each other - be careful not to bend the tips and the following incorrect insertion. Then assembled Carefully slide the plate assembly into the cover. Pay attention to the risk of bending the LEDs and correct alignment button and ETHERNET connector. After insertion into the cover snap the bottom of the module.
Module operation
Module configuration The module is operated, set up and diagnosed from the Mosaic development environment.
Commissioning The module is ready for operation after connection of the supply voltage. The module panel is available MODE button to display the currently set Ethernet IP address. Parameters of all interfaces are set in the Mosaic programming environment. The exact setting procedure is shown in TXV 004 documentation 10. Other activities (programming, application debugging, etc.) are performed in the MOSAIC development environment.
Module diagnostics The basic diagnostic system of the module is a part of its standard software. It operates from module power on and operates independently of the user. Diagnostic error the status of the module and the connected peripheral modules of the assembly are indicated on the module display and are available for processing by the master system. For more information see TXV 004 10.
Maintenance
Description The module does not require any maintenance under general installation conditions. The operations in which a part of the module has to be dismantled must always be carried out with the supply voltage disconnected.
Warning Since the module contains semiconductor components, it is necessary to observe the rules for working with electrostatically sensitive components when handling the removed cover. It is not allowed to touch the printed circuits directly without protective measures.
Additional backup battery - maintenance
  • If you need to extend the backup time (more than 500 hours) it is necessary to fit an additional backup lithium battery type CR2032, 3 V, diameter 20 mm, thickness 3.2 mm in the holder located on the middle plate of the module assembly (dismantling the assembly is described in chapter 7). ).
  • When mounting or. Replace the battery so that it is not short-circuited!
  • We recommend replacing the battery after 2 to 3 years. Unnecessary batteries must be handed over to authorized organizations for disposal.
Warranty
Warning
  • Before turning on the system, all the conditions of this documentation must be met, otherwise the protection provided by the equipment may be impaired.
  • The system may not be escorted unless it has been verified and confirmed that the machinery incorporating the Foxtrot system meets the requirements of Directive 89/392 / CEE where applicable.
  • All repairs and servicing of the product are performed exclusively by the manufacturer or by an authorized person.
  • The system installer is responsible for the safety of the system.

HW documentation

PDF

CP-1004 Basic documentation

688.62 kB, (CS, EN)

User manuals

PDF

Foxtrot1 Series Overview - User's Guide, cze

3.40 MB
PDF

Foxtrot1 Series Overview - User's Guide

4.30 MB

Files for designers

DWG

CP-1004 Technical drawing DWG

137.71 kB
DXF

CP-1004 Technical drawing DXF

390.68 kB
  • Backup power supply CP-1004, the PS2-60/27 source - Fig. 1 An example of a backup power supply of the CP-1004 basic module   Notes: The power supply must be stabilized 27.2 VDC, complying with SELV requirements, and it must be designated for charging the connected ba...
  • CP-1004 - The CP-1004 basic module is the smallest independent control system in the Foxtrot series. A standard configuration of the module is in a 6M housing on a DIN rail (for the housing dimensions, see Chapter 6M housing on a DIN rail ), and it is fitte...
  • Special functions of the CP-1004 module binary inputs - The DI0, DI1 (counter 1) and the DI2, DI3 (counter 2) binary inputs can be set - in addition to the function of standard inputs - to one of the special functions, allowing the connection of a positioning incremental encoder, application of fast cou...
  • SMS communication, connecting the INSYS GSM small modem to the Foxtrot basic module - ...e of the Foxtrot basic module. Fig. 1. An example of connecting the SMS modem INSYS to the Foxtrot basic module CP-1004   Notes: The conditions for connecting the RS232 interface are the same as those in the...
  • Connecting a slave device with an M-bus interface, the SX-1181 module - ...e powered from a separate power supply.   Fig. 1. Connecting the SX-1181 module to the CH1 interface of the CP-1004 module   Notes: Up to 64 meters can be connected to the SX-1181 module, which implies a maxi...
  • FOXTROT – the basic and peripheral modules, power supply - ...a simplified input and output tables:     The front view of the basic module (an example - the CP-1004):     The CP-1004 represents the simplest variant of the Foxtrot basic module. The basi...
  • Foxtrot basic module power supply - ...Max. power consumption 1) Typical power consumption 2) CP-1004, CP-1014 8 W 4 W CP-1005, CP-1015...
  • Power dissipation of modules for calculation of switchboard heating - ...SCH, 8xAI/DI, 8DI/HSC, 4xAO, 8xRO, 4xDO, 2xTCL2 CP-1003 10,0 W TXN 110 04 CP-1004, CPU, ETH100/10, 1xRS232, 1xSCH, 4xDI/AI, 4xDI/HSC, 6xRO 230 V/ 3A,1xCIB CP-1004 5,0 W...
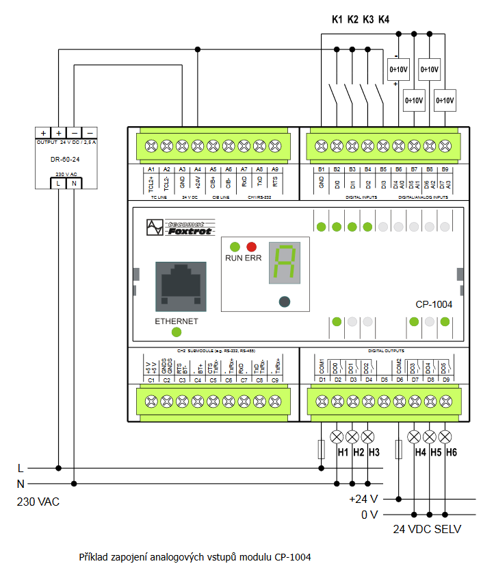
  • The analogue inputs, metering the current 0 ÷ 20 mA - ...to an external power supply of current loops (see Fig.1). Fig. 1 An example of the MT-1690 shunt connection to the CP-1004 (current analogue inputs).    ...
  • CP-1014 - The CP-1014 I/O layout (inputs, outputs, power supply, communication interface) is identical with the CP-1004. The front panel is different: instead of indication LEDs and a small seven-segment indicator there is a larger display with 4x20 cha...
  • IB-1301, a module of 24V binary inputs - ...).   The DI0 ÷ DI3 inputs allow the implementation of special functions identical with the inputs of the CP-1004 basic module (the functions and input modes are identical with the DI0 ÷ DI3 inputs of the CP-1004 module). Fo...
  • IR-1501, the module of relay outputs - ....   The DI0 ÷ DI3 inputs allow the implementation of special functions identical with the inputs of the CP-1004 basic module (the functions and input modes are identical with the DI0 ÷ DI3 inputs of the CP-1004 module). Fo...
  • Internal CIB master at the CP-10xx - ...CP-1003 It has no CIB master It has no CIB master CP-1004, CP-1014 100 mA 1 A (module C-BS-0001M )...
  • CF-1141 external CIB master - .... 1. Connecting the CF-1141 to the Foxtrot basic module   A complete example of the CF-1141 connection to the CP-1004 is presented in Chapter 3.3.4 .   A backup battery can also be connected to the CF-1141 module, as...
  • Decoupling power supply to CIB – the C-BS-0001M decoupling module - ...o boost the CIB power circuitry of the basic modules fitted with a CIB power supply circuit only with a limited output (e.g. CP-1004, CP-1006), or for older versions of the Foxtrot basic modules, which had no CIB supply circuits installed. Maximum...
  • SMS communication, connecting the UC-1205 modem to the Foxtrot basic module - ...tor for antenna connection. Fig. 1. An example of connecting the SMS modem UC-1205 to the Foxtrot basic module CP-1004   Notes: The UC-1205 SMS modem is in terms of communication a standard modem device, so the...
  • MR-0105, MR-0106, MR-0115, fitted with the CP-10x4, CP-10x5 - Tab. 1: Terminating of the CH2, CH3 and CH4 communication channels for the CP-10x4 , CP-10x5 Terminal block C   Terminal MR-0105...
  • The FOXTROT basic modules - The CP-10xx analogue inputs, ranges, basic information The analogue inputs in basic modules make it possible to connect a number of sensors and measured signals. Each CP-10xx variant is fitted with various numbers of inputs with different para...
  • Connecting an electricity meter via the TXN 149 01 optical head - The TXN 149 01 optical interface probe (also called an optical head) is designed to read data and to communicate with the electricity meter, the ripple control receiver and other devices. The probe converts optical signals into signals of the serial...

No data available.