IB-7302TXN 173 02
IB-7302 32 inputs 24 V DC / 5 ms
| DI | 32x DI |
|---|---|
| DO | |
| AI | |
| AO | |
| COM | 1x TCL2 |
| SENSOR |
| Picture | Variant | Variant description |
|---|---|---|
|
|
IB-7302 |
IB-7302 32 inputs 24 V DC / 5 ms
| Order num. | TXN 173 02 |
|---|---|
| Teco code | TXN 173 02 |
| Categories | TC700 - I / O Expansion Modules |
| Tags | Sales and production discontinued |
| COM - System buses | |
|---|---|
| TCL2 - system I/O bus | 1x TCL2 slave |
| DI - Organization of binary inputs | |
| Total number of binary inputs | 32 |
| Number of groups of binary inputs | 2 |
| DI - Parameters of binary inputs DC (group A) | |
| Parameters valid for inputs on the terminals | DI0 - DI32 |
| Number of inputs in group | 16 |
| Common wire | minus |
| Input type | Type 1 (IEC) - passive |
| Galvanic separation of inputs from internal circuits | Yes, even between groups |
| Diagnostics | indication of energized input by LED on module panel |
| Input voltage for log. 0 | 0 V DC; -15 V DC min; 5 V DC max. |
| Input voltage for log. 1 | 24 V DC; 15 V DC min.; 30 V DC max. |
| Input current at log. 1 (typ.) | 3 mA |
| Delay from log. 0 to log. 1 | 5 ms |
| Delay from log. 1 to log. 0 | 5 ms |
| Insulation voltage between inputs and internal circuits | 500 V |
| Insulation voltage between groups of inputs | 500 V |
| Power supply | |
| Nominal supply voltage (V) | 24 V DC; Power supply from the system bus |
| Power consumption from the system source | 1,8 W |
| Size and weight | |
| Weight approx. | 300 g |
| Product dimensions (width x height x depth) | 30 x 198 x 137 mm |
| Operating conditions, product standards | |
| Product standard | ČSN EN 61131-2:2008 (idt IEC 61131-2:2007) - Programmable control units |
| Protection class of electrical object | III, ČSN 33 0600: 1995 |
| IP rating (Ingress Protection) according to ČSN EN 60529: 1993 (idt IEC 529: 1989) | IP20 |
| Operating areas | Normal, according to ČSN 33 2000-3: 1995 (mod IEC 364-3: 1993) |
| Degree of pollution | 2, according to ČSN EN 61131-2 |
| Overvoltage category installation | II according to ČSN 33 0420-1 |
| Type of device | Built-in |
| Working position | Vertical |
| Type of operation (operating frequency) | Continuous |
| Ambient operating temperatures | 0 ° C to + 55 ° C |
| Operating relative humidity | from 10 % up to 95 % without condensation |
| Operating atmospheric pressure | min. 70 kPa (<3,000 m above sea level) |
| Storage temperatures | –25 °C to +70 °C |
| Electromagnetic compatibility, Mechanical endurance | |
| Electromagnetic compatibility / Emission | A, according to EN 55022: 1999 (mod CISPR22: 1997) |
| Emmisions - note | In premises where the use of radio and television receivers can be expected to be used a distance of 10 m from these devices may cause radio interference. In such a case, the user may be required to take appropriate action. |
| Sinusoidal vibration endurance | 10 Hz to 57 Hz, amplitude 0,075 mm, 57 Hz to 150 Hz, acceleration 1 G (Fc test according to EN 60068-2-6: 1997 (idt IEC 68-2-6: 1995), 10 cycles per axis.) |
| Packaginng, transportation, storage | |
| Description | The module is packed in a paper box. This documentation is also part of the package. The outer packaging is carried out according to the scope of the order and the method of transport in a transport package provided with labels and other data necessary for transport. The product must not be exposed to direct weather conditions during transport and storage. Malting of the product is only allowed in clean rooms without conductive dust, aggressive gases and vapors. The most suitable storage temperature is 20 ° C |
| Installation | |
| Assembly description | The installation of the module into the supporting frame of the TC700 system is performed according to TXV 004 02. The mechanical dimensions are given in the TXV 004 02 documentation. |
| Connection | |
| Connection description |
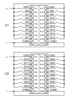
The module is equipped with a connector that allows the customer to select and order the counterpart separately - removable connector straight, vertical, screw or screwless. The connection of the connector is shown in the picture. Detailed connection data, principles of correct installation, examples of module connection and principles of increasing durability and reliability are given in the TXV 001 08.01 design manual. |
| Module operation | |
| Module configuration | The module is operated, set up and diagnosed from the Mosaic development environment. |
| Module diagnostics | The basic diagnostic system of the module is a part of its standard software. It operates from module power on and operates independently of the user. Diagnostic error states of the module and connected peripheral modules of the assembly are signaled |
| Maintenance | |
| Description | The module does not require any maintenance under general installation conditions. The operations in which a part of the module has to be dismantled must always be carried out with the supply voltage disconnected. |
| Notice | Because the module contains semiconductor components, it is necessary to follow the principles for working with electrostatic sensitive components when handling the removed cover. It is not allowed to directly touch the printed circuit boards without protective measures !!! |
| Warranty | |
| Generally | Warranty and complaint conditions are governed by the Terms and Conditions of Teco a.s. |
| Notice | You must meet all the conditions of this documentation before turning on the system. The system must not be put into service unless it has been verified and confirmed that the machinery meets the requirements of Directive 89/392 / EEC, in so far as it applies to it. Documentation subject to change. |
HW documentation
IB-7302 - Basic Documentation
124.53 kB, (CS, EN)
TC700 connectors - Basic documentation
105.65 kB
User manuals
PROGRAMMABLE LOGIC CONTROLLERS TECOMAT TC700 (en)
0.00 B, (EN)
- IB–7302 binary input module - The IB-7302 binary input module has 32 binary inputs, 24 VDC, common pole, type 1. The inputs are in groups of 16, which are galvanically isolated from each other. The module is galvanically isolated from the other PLC circuits. The module input cir...
No data available.
English