BDM-024-V/1-R1-CIBBDM-024-V/1-R1-CIB
BDM-024-V/1-R1-CIB; Svodič bleskových proudů sběrnice CIB, 24V/1A, ST1+2+3
| DI | |
|---|---|
| DO | |
| AI | |
| AO | |
| COM | |
| SENSOR |
| Obrázek | Varianta | Popis varianty |
|---|---|---|
|
|
BDM-024-V/1-R1-CIB |
BDM-024-V/1-FR1-CIB
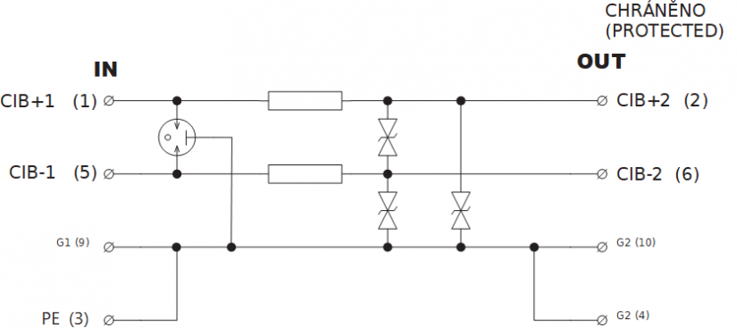
Svodič bleskových proudů s dvoustupňovou přepěťovou ochranou určený pro sběrnici CIB
Svodič bleskových proudů s dvoustupňovou přepěťovou ochranou určený pro sběrnici CIB
- instalace na vstupu do objektu v blízkosti chráněného zařízení, na rozhraní zón LPZ 0–LPZ 1 a vyšších
- také lze použít k ochraně rozhraní řídicích systémů MaR, EZS, EPS apod.
- proti podélnému přepětí (linka -ochranná zem) hrubá ochrana a proti příčnému přepětí (žíla – žíla, GND) hrubá i jemná přepěťová ochrana
- vyjímatelný modul, vazební impedance (R – odpor), linka od ochranné země oddělena pomocí bleskojistky
| Obj. číslo | 1220201058 |
|---|---|
| Teco kód | BDM-024-V/1-R1-CIB |
| Kategorie | CFox - Systémové moduly CIB |
| Tagy | - |
| Vlastnosti přepěťových ochran | |
|---|---|
| Typ SPD | D1, C2 |
| Připojení (vstup – výstup) | svorky - svorky |
| Umístění SPD | ST 1+2+3 |
| Jmenovité napětí | 24V DC |
| Nejvyšší trvalé provozní napětí Uc (DC) | 36 V DC |
| Nejvyšší trvalé provozní napětí Uc (AC) | 25 V AC |
| C2 jmenovitý výbojový proud (8/20 µs) na žílu In | 10 kA |
| C2 jmenovitý výbojový proud (8/20 µs) GND-PE In | 10 kA |
| C2 celkový výbojový proud (8/20 µs) žíly-PE ITotal | 20 kA |
| D1 impulsní výbojový proud (10/350 µs) na žílu Iimp | 2,5 kA |
| D1 celkový výbojový proud (10/350 µs) žíly-PE ITotal | 5 kA |
| C3 ochranná hladina napětí mód žíla-žíla při 1 kV/µs Up | 46 V |
| C3 ochranná hladina napětí mód GND-PE při 1 kV/µs Up | 550 V |
| C3 ochranná hladina napětí mód žíla-GND při 1 kV/µs Up | 46 V |
| Doba odezvy žíla-žíla "ta" | 1 ns |
| Doba odezvy GND-PE "ta" | 100 ns |
| Doba odezvy žíla-GND "ta" | 1 ns |
| Sériový odpor na žílu R | 0,8 Ω |
| Mezní frekvence žíla-žíla f | 4 MHz |
| Provozní podmínky, normy produktu | |
| Norma výrobku | ČSN EN 61643-21+A1,A2: 2002- Ochrany před přepětím nízkého napětí |
| Stupeň krytí IP dle ČSN EN 60529:1993 (idt IEC 529:1989) | IP20 |
| Provozní prostory | Normální, dle ČSN 33 2000-1 ed.2: 2009 (mod IEC 60364-1: 2005) |
| Typ zařízení | Modul na DIN lištu |
| Pracovní poloha | Svislá |
| Druh provozu | Trvalý |
| Provozní teploty okolí | –40 °C až +70 °C |
| Provozní teplota maximání (°C) | +70°C |
| Provozní teplota minimální (°C) | -40°C |
| Balení, přeprava, skladování | |
| Popis | Modul je balen do papírové krabice. Vnější balení se provádí podle rozsahu zakázky a způsobu přepravy do přepravního obalu opatřeného etiketami a ostatními údaji nutným k přepravě. Přeprava od výrobce se provádí způsobem dohodnutým při objednání. Přeprava výrobku vlastními prostředky odběratele musí být prováděna krytými dopravními prostředky, v poloze určené etiketou na obalu. Krabice musí být uložena tak, aby nedošlo k samovolnému pohybu a poškození vnějšího obalu. Výrobek nesmí být během přepravy a skladování vystaven přímému působení povětrnostních vlivů. Skladování výrobku je dovoleno jen v čistých prostorách bez vodivého prachu, agresivních plynů a par. Nejvhodnější skladovací teplota je 20°C |
| Montáž | |
| Popis montáže | Montáž na DIN lištu 35/7,5 (U) do rozvaděče |
| Připojení | |
| Průřez připojovaných vodičů pevný (min) | 0,14 mm2 |
| Průřez připojovaných vodičů pevný (max) | 4 mm2 |
| Průřez připojovaných vodičů slaněný (min) | 0,14 mm2 |
| Průřez připojovaných vodičů slaněný (max) | 2,5 mm2 |
| Údržba | |
| Popis | Při dodržení všeobecných podmínek pro instalaci nevyžaduje modul žádnou údržbu. |
Projekční podklady
BDM-024 - technický výkres DXF
178,64 kB
Nejsou dostupná žádná data.
Nejsou dostupná žádná data.
Čeština