R-IS-0201M-A, modul řízení exterího SSRTXN 142 17.A

R-IS-0201M-A; RFox2, 2x AI/DI, 1x AO/PWM- pro řízení externího SSR, 1f, rádio typu A

DI
DO 1x DO (PWM)
AI 2x AI
AO 1x AO
COM 1x RFox2 slave
SENSOR
Obrázek Varianta Popis varianty
R-IS-0201M-A, modul řízení exterího SSR
 R-IS-0201M-A; RFox2, 2x AI/DI, 1x AO/PWM- pro řízení externího SSR, 1f, rádio typu A
Obj. číslo TXN 142 17.A
Teco kód TXN 142 17.A
Kategorie RFox2 - Moduly na DIN lištu
Tagy -
COM - Bezdrátová síť
Typ zařízení v bezdrátové síti RFox2 RFox2 Slave
Komunikační kmitočtové pásmo 868,1 MHz
Vysílací výkon +14 dBm
Vstupní citlivost –108 dBm
Typ modulace 2-GFSK
Komunikační rychlost 50 kbps
DO - Parametry binárních tranzistorových výstupů (skupina A)
Parametry platné pro výstupy na svorkách GND, PWM (C2, C3)
Počet tranzistorových výstupů 1
Počet skupin výstupů 1
Počet výstupů ve skupině 1
Typ výstupu MOSFET (High-side switch)
Spínaný proud, zatížení výstupu 20 mA max.
Specielní funkce (A) PWM
Pracovní kmitočet 1 Hz - 1kHz
Nastavení střídy 0 – 100 %
AI - Rozsahy analogových vstupů (skupina A)
Parametry platné pro vstupy na svorkách AI1, AI2, GND (B3, B2, B1)
Pasivní snímač Pt1000, W100=1.391 (–90 až +400 °C)
Chyba měření odporu - teplotní koeficient 3850 ppm / °C
AO - Parametry analogových výstupů
Počet výstupů ve skupině 1
Parametry platné pro výstupy na svorkách AO (C1), GND (B1)
Společný vodič skupiny svorka GND
Napěťový výstup - Výstupní napětí 0 - 10 V
Napěťový výstup - Maximální výstupní proud 10 mA
Napájení
Napájecí napětí, tolerance 90 – 270 V AC
Frekvence vstupního napětí 50-60 Hz
Maximální příkon 2 W
Galvanické oddělení napájení od vnitřních obvodů Ne
Izolační napětí galvanického oddělení 3 000 VDC
Jištění interní Ano, nevratné
Rozměry a hmotnost
Hmotnost cca. 75 g
Rozměry produktu (šířka x výška x hloubka) 18 x 95 x 58 mm
Šířka modulu v násobcích M (17,5 mm) 1M
Provozní podmínky, normy produktu
Norma výrobku ČSN EN 60730-1 ed.4 :2017 (EN 60730-1:2016) - Automatická elektrická řídící zařízení (zařízení pro domácnost a podobné účely)
Třída ochrany elektrického předmětu II, dle ČSN EN 61140 ed.3: 2016 (idt IEC 61140:2016)
Stupeň krytí IP dle ČSN EN 60529:1993 (idt IEC 529:1989) IP20
Provozní prostory Normální, dle ČSN 33 2000-1 ed.2: 2009 (mod IEC 60364-1: 2005)
Stupeň znečištění 1, dle ČSN EN 60664-1 ed.2:2008 (idt IEC 60664-1:2007)
Přepěťová kategorie instalace II, dle ČSN EN 60664-1 ed_2:2008 (idt IEC 60641-1:2007)
Typ zařízení Modul na DIN lištu
Pracovní poloha Svislá
Druh provozu Trvalý
Provozní teploty okolí –20 °C až +55 °C
Provozní relativní vlhkost 10 % až 95 % bez kondenzace
Provozní atmosférický tlak min. 70 kPa (< 3 000 m n. m.)
Skladovací teploty –25 °C až +70 °C
Elektromagnetická kompatibilita, mechanická odolnost
Elektromagnetická kompatibilita/ Emise B, dle ČSN EN 55032 ed. 2: 2017 (idt CISPR 32: 2015)
Elektromagnetická kompatibilita/ Imunita min. dle požadavku ČSN EN 60730-1 ed.3:2012
Odolnost vůči sinusovým vibracím 10 Hz až 57 Hz amplituda 0,075 mm, 57 Hz až 150 Hz zrychlení 1 G, dle Fc dle ČSN EN 60068-2-6:1997 (idt IEC 68-2-6:1995), 10 cyklů v každé ose.
Připojení
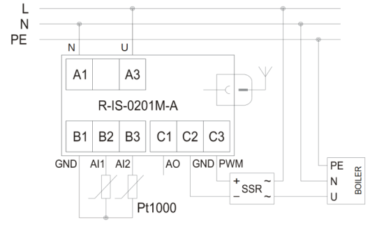
Popis připojení Příklad zapojení modulu je zobrazen na následujícím obrázku. Jako anténu lze použít každý typ určený pro pásmo 868 MHz s konektorem SMA (kolík).
Varování/Upozornění POZOR: Zařízení obsahuje části s nebezpečným napětím, před sejmutím krytů nebo manipulací s kabeláží odpojte příslušné obvody nebo vypněte napájení!
Připojení napájení a systémové komunikace svorkovnice se šroubovací svorkou 2,5 mm2
Připojení I/O - vstupů/výstupů svorkovnice se šroubovací svorkou 2,5 mm2
Obsluha
Uvedení do provozu Modul je obsluhován v radiové síti RFox2 jako periferní modul,nastavení se provádí v Manažeru projektu programovacího prostředí Mosaic viz příručka TXV 003 93 s popisem RFox2Lib.
Diagnostika modulu Základní diagnostika se provádí vnitřně a výsledek je dostupný v příslušných registrech prostředí Mosaic.
Údržba
Popis Při dodržení všeobecných podmínek pro instalaci nevyžaduje modul žádnou údržbu.
Pokyny Protože modul obsahuje polovodičové součástky, je nutné při manipulaci dodržovat zásady pro práci se součástkami citlivými na elektrostatický náboj.Opravy provádí výhradně servisní středisko výrobce případně autorizovaný servis výrobce.
Záruka
Obecně Záruční a reklamační podmínky se řídí Obchodními podmínkami Teco a.s.
Upozornění Před zapnutím systému musíte splnit všechny podmínky této dokumentace. Systém nesmí být uveden do provozu, pokud není ověřeno a potvrzeno, že strojní zařízení, jehož je systém součástí, splňuje požadavky direktivy 89/392/CEE, pokud se na ně vztahuje. Změny dokumentace vyhrazeny.

Dokumentace HW

PDF

R-IS-0201M.A - Základní dokumentace

148,10 kB
  • R-IS-0201M-A - Modul R-IS-0201M-A je určený především pro spojité řízení výkonu el. ohřevu, např. pro spojité řízení výkonu elektrické patrony v akumulační nádrži TV. Modul je vybaven jedním aktivním výstupem PWM, např. pro ovládání SSR pro řízení ohřevu TV (...

Nejsou dostupná žádná data.