C-IR-0203STXN 133 65
C-IR-0203S; CIB, 2x AI/DI Teplota/kontakt, 2x AO (0-10V); 1x RO, 230V/16A (inrush 80A) spínací/rozpínací kontakt
| DI | 2x DI/AI |
|---|---|
| DO | 1x RO (16A) |
| AI | 2x DI/AI see DI |
| AO | 2x AO |
| COM | 1x CIB slave |
| SENSOR |
| Obrázek | Varianta | Popis varianty |
|---|---|---|
|
|
C-IR-0203S |
C-IR-0203S je modul určený k připojení na CIB sběrnici. Obsahuje
- dva kombinované analogové nebo binární vstupy
- dva analogové výstupy s rozsahem 0-10 V
- jeden reléový výstup s přepínacím kontaktem.
Vstupy a analogové výstupy jsou vyvedeny na svorkovnici s perovými svorkami, reléový výstup na svorkovnici se šroubovacími klecovými svorkami.
- Vstupy umožňují přímo připojit odporové snímače PT1000, Ni1000, čidlo s termistorem NTC12k nebo KTY81-121 proti společnému vodiči GND. Odpor je převáděn v modulu přímo na číselnou hodnotu teploty.
- Pro jiný typ odporového snímače lze zvolit měření odporu v rozsahu 0-160 kΩ, ale přepočet na teplotu a linearizace se musí provést až na úrovni uživatelského programu.
- Binární signály se na vstupy připojují pouze jako volný beznapěťový kontakt proti společnému vodiči GND, popř. může vstup pracovat v režimu vyváženého vstupu.
- Analogové výstupy 0-10 V jsou vyvedeny proti společnému vodiči GND.
- dva kombinované analogové nebo binární vstupy
- dva analogové výstupy s rozsahem 0-10 V
- jeden reléový výstup s přepínacím kontaktem.
Vstupy a analogové výstupy jsou vyvedeny na svorkovnici s perovými svorkami, reléový výstup na svorkovnici se šroubovacími klecovými svorkami.
- Vstupy umožňují přímo připojit odporové snímače PT1000, Ni1000, čidlo s termistorem NTC12k nebo KTY81-121 proti společnému vodiči GND. Odpor je převáděn v modulu přímo na číselnou hodnotu teploty.
- Pro jiný typ odporového snímače lze zvolit měření odporu v rozsahu 0-160 kΩ, ale přepočet na teplotu a linearizace se musí provést až na úrovni uživatelského programu.
- Binární signály se na vstupy připojují pouze jako volný beznapěťový kontakt proti společnému vodiči GND, popř. může vstup pracovat v režimu vyváženého vstupu.
- Analogové výstupy 0-10 V jsou vyvedeny proti společnému vodiči GND.
| Obj. číslo | TXN 133 65 |
|---|---|
| Teco kód | TXN 133 65 |
| Kategorie | CFox - Vestavné moduly |
| Tagy | - |
| COM - Systémové sběrnice | |
|---|---|
| CIB - Common Installation Bus (R): Instalační I/O sběrnice | 1x CIB slave |
| RO - Parametry binárních reléových výstupů (skupina A) | |
| Parametry platné pro výstupy na svorkách | DO1 |
| Počet reléových výstupů | 1 |
| Typ výstupu | elektromechanické relé, nechráněný výstup |
| Typ kontaktu | Přepínací kontakt (NO/NC) |
| Galvanické oddělení od vnitřních obvodů | Ano |
| Diagnostika | Signalizace vybuzeného výstupu na panelu modulu |
| Spínaný proud | 16 A max., 100 mA min. |
| Spínané napětí | 300 V max., 5 V min. |
| Doba sepnutí kontaktu | typ. 15 ms |
| Doba rozepnutí kontaktu | typ. 5ms |
| Ochrana proti zkratu | Ne |
| Izolační napětí mezi výstupy a vnitřními obvody | 3750 V AC |
| AI - Organizace analogových vstupů | |
| Počet analogových vstupů celkem | 2 |
| Počet vstupů ve skupině | 2 |
| Počet skupin analogových vstupů | 1 |
| Typ vstupu | Se společnou svorkou |
| Společný vodič | Minus |
| Galvanické oddělení od vnitřních obvodů | Ne |
| Diagnostika | signalizace přetížení ve stavovém slově |
| AO - Parametry analogových výstupů | |
| Počet analogových výstupů | 2 |
| Počet skupin analogových výstupů | 1 |
| Počet výstupů ve skupině | 2 |
| Parametry platné pro výstupy na svorkách | AO1, AO2 |
| Společný vodič skupiny | minus |
| Galvanické oddělení od vnitřních obvodů | Ne |
| Typ výstupu | aktivní napěťový výstup |
| Provozní podmínky, normy produktu | |
| Norma výrobku | ČSN EN 60730-1 ed. 2:2001 (mod IEC 60730-1:1999) |
| Třída ochrany elektrického předmětu | II, dle ČSN EN 61140 ed.3: 2016 (idt IEC 61140:2016) |
| Stupeň krytí IP dle ČSN EN 60529:1993 (idt IEC 529:1989) | IP10B |
| Provozní prostory | Normální, dle ČSN 33 2000-1 ed.2: 2009 (mod IEC 60364-1: 2005) |
| Stupeň znečištění | 1, dle ČSN EN 60664-1 ed.2:2008 (idt IEC 60664-1:2007) |
| Přepěťová kategorie instalace | I, dle ČSN EN 60664-1 ed_2:2008 (idt IEC 60641-1:2007) |
| Typ zařízení | Do instalační krabice, pod kryt |
| Pracovní poloha | Libovolná |
| Druh provozu | Trvalý |
| Provozní teploty okolí | –10 °C až +55 °C |
| Skladovací teploty | –25 °C až +85 °C |
| Elektromagnetická kompatibilita, mechanická odolnost | |
| Elektromagnetická kompatibilita/ Emise | B, dle ČSN EN 55022 ed2:2007 (mod CISPR22:2005) |
| Elektromagnetická kompatibilita/ Imunita | min. dle požadavku ČSN EN 60730-1 ed.2:2001 |
| Odolnost vůči sinusovým vibracím | 10 Hz až 57 Hz amplituda 0,075 mm, 57 Hz až 150 Hz zrychlení 1 G, dle Fc dle ČSN EN 60068-2-6:1997 (idt IEC 68-2-6:1995), 10 cyklů v každé ose. |
| Balení, přeprava, skladování | |
| Popis | Modul je balen do papírové krabice. Vnější balení se provádí podle rozsahu zakázky a způsobu přepravy do přepravního obalu opatřeného etiketami a ostatními údaji nutným k přepravě. Přeprava od výrobce se provádí způsobem dohodnutým při objednání. Přeprava výrobku vlastními prostředky odběratele musí být prováděna krytými dopravními prostředky, v poloze určené etiketou na obalu. Krabice musí být uložena tak, aby nedošlo k samovolnému pohybu a poškození vnějšího obalu. Výrobek nesmí být během přepravy a skladování vystaven přímému působení povětrnostních vlivů. Skladování výrobku je dovoleno jen v čistých prostorách bez vodivého prachu, agresivních plynů a par. Nejvhodnější skladovací teplota je 20°C |
| Připojení | |
| Připojení napájení a systémové komunikace | svorkovnice s pružinovou svorkou 1 mm2, push-in |
| Připojení I/O - vstupů/výstupů | svorkovnice s pružinovou svorkou 1 mm2, push-in |
| Specifické I/O | Výstup relé |
| Připojení specifických I/O | svorkovnice se šroubovací svorkou 1,5 mm2 |
| Obsluha | |
| Uvedení do provozu | Modul je obsluhován, nastavován a diagnostikován z programovacího prostředí MOSAIC nebo jiného parametrizačního software. Modul je po připojení napájecího napětí a sběrnice CIB připraven k činnosti. HW adresa je uvedena na štítku na modulu. |
| Diagnostika modulu | Základní diagnostika se provádí vnitřně a výsledek je dostupný v příslušných registrech prostředí Mosaic. |
| Údržba | |
| Popis | Při dodržení všeobecných podmínek pro instalaci nevyžaduje modul žádnou údržbu. Úkony, při kterých je třeba provést demontáž některé části modulu, se provádějí vždy při odpojeném napájecím napětí. |
| Upozornění | Protože modul obsahuje polovodičové součástky, je nutné při manipulaci se sejmutým krytem dodržovat zásady pro práci se součástkami citlivými na elektrostatický náboj. Není dovoleno se přímo dotýkat plošných spojů bez ochranných opatření !!! |
| Záruka | |
| Obecně | Záruční a reklamační podmínky se řídí Obchodními podmínkami Teco a.s. |
| Upozornění | Před zapnutím systému musíte splnit všechny podmínky této dokumentace. Systém nesmí být uveden do provozu, pokud není ověřeno a potvrzeno, že strojní zařízení, jehož je systém součástí, splňuje požadavky direktivy 89/392/CEE, pokud se na ně vztahuje. Změny dokumentace vyhrazeny. |
Dokumentace HW
C-IR-0203S - Základní dokumentace
210,83 kB
C-IR-0203S - Základní dokumentace (cs)
0,00 B, (CS)
Uživatelské příručky
Periferní moduly na sběrnici CIB-Common Installation Bus(R) (cs)
0,00 B, (CS)
Projekční podklady
C-IR-0203S - technický výkres M01 DWG
43,24 kB
C-IR-0203S - technický výkres M01 DXF
39,42 kB
C-IR-0203S - technický výkres S01 DWG
45,80 kB
C-IR-0203S - technický výkres S01 DXF
45,60 kB
CE - Prohlášení o shodě
Foxtrot - CE Prohlášení o shodě
0,00 B, (CS)
- C-IR-0203S - Modul C-IR-0203S je určen pro připojení dvou snímačů teploty nebo binárních signálů, ovládání silovým kontaktem relé a je osazen dvěma analogovými výstupy přímo na elektroinstalační sběrnici CIB . Pro měření teploty se k měřicím vstupům př...
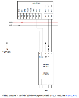
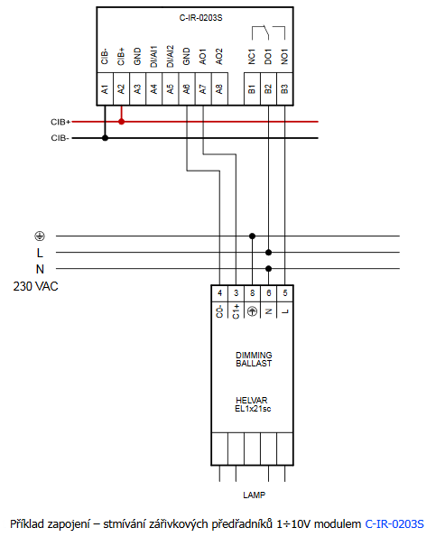
- Řízení předřadníku HELVAR modulem C-IR-0203S - ...) určených ke stmívání zářivek řiditelných analogovým napětím 0 ÷ 10 V nebo 1 ÷ 10 V lze použít např. Modul C-IR-0203S – modul je osazen reléovým výstupem pro vypnutí napájení předřadníku (úplné zhasnutí, odstranění trvalého o...
- Řízení předřadníků 0 ÷ 10 V modulem C-IR-0202S - ...iku sepnutí napájení proud větší než 5 A ( max. proud kontaktem relé modulu ), jinak je nutno použít jiný modul, např. C-IR-0203S (osazen relé s max. krátkodobým proudem při sepnutí 80 A )...
- Spínání osvětlení LED, žárovky, zářivky atd. - ...výstup s krátkodobým spínacím proudem až 800 A C-HM-1121M 3 reléové výstupy s krátkodobým spínacím proudem až 800 A C-IR-0203S 1 reléový výstup s krátkodobým spínacím proudem až 80 A R-OR-0001B 1 reléový výstup s krátkodobým spínacím...
Nejsou dostupná žádná data.
Čeština