C-IT-0504STXN 133 26

C-IT-0504S; CIB, 5x AI/DI Teplota/kontakt, 4x AO (0-10V/10mA)

DI 5x DI/AI viz AI
DO
AI 5x DI/AI viz DI
AO 4x AO
COM 1x CIB slave
SENSOR
Obrázek Varianta Popis varianty
C-IT-0504S
Modul C-IT-0504S (obj. č.: TXN 133 26) je určen pro připojení analogových nebo binárních signálů a analogových výstupů 0 - 10 V přímo na elektroinstalační sběrnici CIB. Vstupy, výstupy a sběrnice se k modulu připojují přes perové svorky. Univerzální vstupy lze nastavit na binární nebo analogové programem a to ve dvou skupinách. První skupina obsahuje 4 vstupy, druhá 1 vstup. Nastaveni je potom společné pro celou skupinu.

Například jeden snímač teploty a čtyři vstupy-kontakty nebo jeden vstup-kontakt a čtyři snímače teploty. Pro měření teploty se používají odporové snímače PT1000, nebo Ni1000, nebo čidlo s termistorem NTC12k, nebo KTY81-121 proti společnému vodiči GND. Odpor je přepočten v modulu na číselnou hodnotu teploty a přenášen do centrální jednotky po sběrnici CIB. Pro jiný typ odporového snímače lze zvolit rozsah měření odporu 0 až 160 kΩ, ale přepočet na teplotu a linearizace se musí provést až na úrovni uživatelského programu. Programové vybavení modulu – firmware – je optimalizováno na zvýšení přesnosti a linearizaci měřicího rozsahu čidla v modulu.

Binární signály se připojují na vstupy pouze jako volný, bez napěťový kontakt proti společnému vodiči GND. Binární vstup může pracovat také v režimu vyváženého vstupů. Napětí analogových výstupu 0 - 10 V je vyvedeno na vodiči proti společnému vodiči GND.
Obj. číslo TXN 133 26
Teco kód TXN 133 26
Kategorie CFox - Vestavné moduly
Tagy -
COM - Systémové sběrnice
CIB - Common Installation Bus (R): Instalační I/O sběrnice 1x CIB slave
DI - Organizace binárních vstupů
Počet binárních vstupů celkem 5
Počet skupin binárních vstupů 1
Organizace binárních vstupů do skupin 5x DI (DI/AI1 - DI/AI5)
DI - Parametry binárních vstupů DC (skupina A)
Parametry platné pro vstupy na svorkách DI/AI1 - DI/AI5
Společný vodič skupiny GND - zem modulu
Typ kombinovaného vstupu DI/AI Aktivní, pro snímání bezpotenciálových kontaktů a měření odporových čidel
Galvanické oddělení vstupů od vnitřních obvodů Ne
Max. měřicí napětí na připojeném kontaktu 3,3 V DC
Vnitřní odpor vstupu 2,2 kΩ
Max. odpor pro sepnutý kontakt, log. 1 < 0,5 kΩ
Min. odpor pro rozepnutý kontakt, log. 0 > 1,5 kΩ
Vyvážený odporový vstup 2× 1k1 (tamper/0/1/tamper)
AI - Rozsahy analogových vstupů (skupina A)
Pasivní snímač Pt1000, W100=1.385 (–90 až +400 °C)
Pasivní snímač Pt1000, W100=1.391 (–90 až +400 °C)
Pasivní snímač Ni1000, W100=1.500 (–60 až +200 °C)
Pasivní snímač Ni1000, W100=1.617 (–60 až +200 °C)
Pasivní snímač Odporový vysílač 0-160 kOhm
Pasivní snímač KTY81-121; PTC termistor (–55 až +125°C)
Pasivní snímač NTC Termistor 12k/25 °C (–40 až +125°C)
DI: Vyvážený odporový vstup Ano
Vstupní impedance v rozsahu signálu odporového snímače > 2,2 kΩ
Chyba měření odporu - maximální chyba při 25 °C ±0,5 % plného rozsahu
AO - Parametry analogových výstupů
Počet analogových výstupů 4
Počet skupin analogových výstupů 1
Počet výstupů ve skupině 4
Počet výstupů a jejich organizace do skupin 4x AO (AO1-AO4)
Společný vodič skupiny svorka GND
Galvanické oddělení od vnitřních obvodů Ne
Typ výstupu aktivní napěťový výstup
Napěťový výstup - Výstupní napětí 0 - 10 V
Napěťový výstup - Rozlišení 1 LSB 10,546 mV
Napěťový výstup - Nastavitelný rozsah 0 ÷ 130 % Ujm
Napěťový výstup - Zatěžovací odpor >1 kΩ
Napěťový výstup - Kapacita zátěže 250 nF
Napájení
Napájecí napětí, tolerance 24/27 V DC ze sběrnice CIB
Typický příkon 1 W
Maximální příkon 2,5 W
Tepelná/výkonová ztráta modulu 1 W
Napájení z CIB - typický odběr proudu (mA) 20 mA
Napájení z CIB - maximální odběr proudu (mA) 80 mA
Popis napájení Rozdíl mezi hodnotou typického a maximálního příkonu je dán možným zatížením sběrnic CIB
Rozměry a hmotnost
Hmotnost cca. 7 g
Rozměry produktu (šířka x výška x hloubka) 55 × 26 × 20 mm
Provozní podmínky, normy produktu
Norma výrobku ČSN EN 60730-1 ed.4 :2017 (EN 60730-1:2016) - Automatická elektrická řídící zařízení (zařízení pro domácnost a podobné účely)
Třída ochrany elektrického předmětu III, dle ČSN EN 61140 ed.3: 2016 (idt IEC 61140:2016)
Stupeň krytí IP dle ČSN EN 60529:1993 (idt IEC 529:1989) IP10B
Provozní prostory Normální, dle ČSN 33 2000-1 ed.2: 2009 (mod IEC 60364-1: 2005)
Stupeň znečištění 1, dle ČSN EN 60664-1 ed.2:2008 (idt IEC 60664-1:2007)
Přepěťová kategorie instalace II, dle ČSN EN 60664-1 ed_2:2008 (idt IEC 60641-1:2007)
Typ zařízení Do instalační krabice, pod kryt
Pracovní poloha Libovolná
Druh provozu Trvalý
Provozní teploty okolí 0 °C až +70 °C
Provozní relativní vlhkost 10 % až 95 % bez kondenzace
Provozní atmosférický tlak min. 70 kPa (< 3 000 m n. m.)
Skladovací teploty –25 °C až +85 °C
Elektromagnetická kompatibilita, mechanická odolnost
Elektromagnetická kompatibilita/ Emise B, dle ČSN EN 55022 ed2:2007 (mod CISPR22:2005)
Elektromagnetická kompatibilita/ Imunita min. dle požadavku ČSN EN 60730-1 ed.2:2001
Odolnost vůči sinusovým vibracím 10 Hz až 57 Hz amplituda 0,075 mm, 57 Hz až 150 Hz zrychlení 1 G, dle Fc dle ČSN EN 60068-2-6:1997 (idt IEC 68-2-6:1995), 10 cyklů v každé ose.
Balení, přeprava, skladování
Popis Modul je balen do antistatického sáčku. Součástí balení je i tato dokumentace. Vnější balení se provádí podle rozsahu zakázky a způsobu přepravy do přepravního obalu opatřeného etiketami a ostatními údaji nutným k přepravě. Výrobek nesmí být během přepravy a skladování vystaven přímému působení povětrnostních vlivů. Skladování výrobku je dovoleno jen v čistých prostorách bez vodivého prachu, agresivních plynů a par. Nejvhodnější skladovací teplota je 20°C.
Připojení
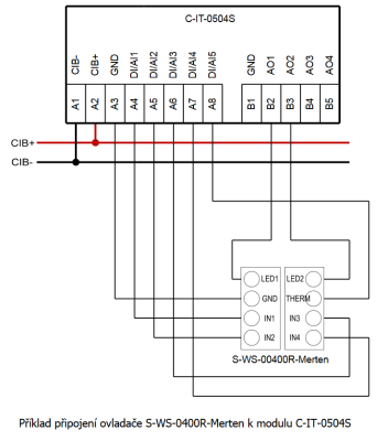
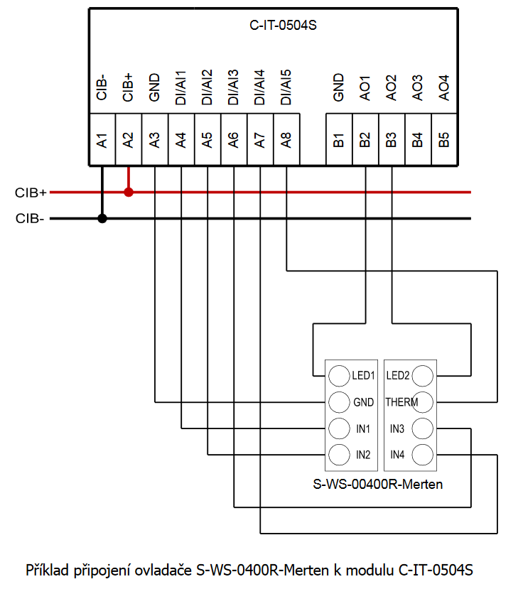
Popis připojení Příklad zapojení modulu je zobrazen na následujícím obrázku.
Připojení napájení a systémové komunikace svorkovnice s pružinovou svorkou 0,15-0,5 mm2, push-in
Připojení I/O - vstupů/výstupů svorkovnice s pružinovou svorkou 0,15-0,5 mm2, push-in
Obsluha
Konfigurace modulu Modul je obsluhován, nastavován a diagnostikován z vývojového prostředí Mosaic.
Uvedení do provozu Modul je obsluhován, nastavován a diagnostikován z programovacího prostředí MOSAIC nebo jiného parametrizačního software. Modul je po připojení napájecího napětí a sběrnice CIB připraven k činnosti. HW adresa je uvedena na štítku na modulu.
Diagnostika modulu Základní diagnostika se provádí vnitřně a výsledek je dostupný v příslušných registrech prostředí Mosaic.
Údržba
Popis Při dodržení všeobecných podmínek pro instalaci nevyžaduje modul žádnou údržbu. Úkony, při kterých je třeba provést demontáž některé části modulu, se provádějí vždy při odpojeném napájecím napětí.
Upozornění Protože modul obsahuje polovodičové součástky, je nutné při manipulaci se sejmutým krytem dodržovat zásady pro práci se součástkami citlivými na elektrostatický náboj. Není dovoleno se přímo dotýkat plošných spojů bez ochranných opatření !!!
Záruka
Obecně Záruční a reklamační podmínky se řídí Obchodními podmínkami Teco a.s.
Upozornění Před zapnutím systému musíte splnit všechny podmínky této dokumentace. Systém nesmí být uveden do provozu, pokud není ověřeno a potvrzeno, že strojní zařízení, jehož je systém součástí, splňuje požadavky direktivy 89/392/CEE, pokud se na ně vztahuje. Změny dokumentace vyhrazeny.

Dokumentace HW

PDF

C-IT-0504S - Základní dokumentace

121,23 kB

C-IT-0504S - Základní dokumentace (cs)

0,00 B, (CS)

Uživatelské příručky

Periferní moduly na sběrnici CIB-Common Installation Bus(R) (cs)

0,00 B, (CS)

Projekční podklady

DWG

C-IT-0504S - technický výkres M01 DWG

57,36 kB
DWG

C-IT-0504S - technický výkres S01 DWG

51,83 kB
DXF

C-IT-0504S - technický výkres M01 DXF

67,18 kB
DXF

C-IT-0504S - technický výkres S01 DXF

46,00 kB

CE - Prohlášení o shodě

Foxtrot - CE Prohlášení o shodě

0,00 B, (CS)
  • C-IT-0504S - Modul C-IT-0504S (obj. č.: TXN 133 26) je určen pro připojení analogových nebo binárních signálů a analogových výstupů 0 ÷ 10 V přímo na elektroinstalační sběrnici CIB . Vstupy, výstupy a sběrnice CIB se k modulu připojují prostřednictvím...
  • Ovladač GIRA 2001 xx snímaný vstupním modulem C-IT-0504S - ...kocestnými tlačítky (jmenovité napájení 24V AC/DC) a dvěma LED (napájení 24VDC, 1 mA). Lze jej připojit k vestavnému modulu C-IT-0504S , který se umístí do krabice pod ovladač a získáme plnohodnotný ovladač na CIB sběrnici. Zároveň máme k dispozici...
  • Nástěnná tlačítka snímaná vstupním modulem C-IT-0504S - Podobným způsobem jako C-IT-0200S můžeme využít i vestavný modul C-IT-0504S , kterým můžeme např. snímat 4 tlačítka ovladače, měřit teplotu v interiéru a je-li ovladač vybaven LED diodami, můžeme ovládat až 4 LED. Modul je osazen 5 vstupy, kte...
  • Krátkocestná tlačítka S-WS-0004R-Merten, připojení k C-IT-0504S - ...dat LED binárními výstupy a měřit teplotu (pod hmatníkem modulu je osazeno čidlo NTC 12k), např.  lze použít CFox modul C-IT-0504S.  S-WS-0400R-Merten lze připojit i k jiným vstupům a výstupům při zachování polarity vstupů a výstupů. Lze...
  • Svorkovnice miniaturní  - Miniaturní svorkovnice, které používají některé vestavné moduly, např. C-IT-0504S , a některé další periferní moduly, např. S-WS-0400R-Merten , jsou bezšroubové (pružinové) pevné svorky s roztečí 2,5 mm. Pro vyjmutí vodiče ze svorky je nutno...
  • Ovladače na zeď (ovládání osvětlení, žaluzie apod.) - Ovladače na zeď (náhrada klasických vypínačů) lze řešit či integrovat do systému několika způsoby, lišícími se komfortem, možnostmi, cenou a sortimentem. První je přímo ovladač jako sběrnicový prvek systému Foxtrot. Zde je nejlepší využití prvk...
  • C-IT-0504S - Přeji hezký den, kde lze provést korekci teploty pro teplotní čidlo? V Mosaicu u vypínače lze provést korekci v nastavení vypínače, u tohoto modulu jsem korekci nenašel. Děkuji.
  • CIB moduly - rozlišení převodníku pro měření teploty - ...t. V popisu AI se uvádí např.: CP-2000: Číslicová rozlišovací schopnost 12bit, Pt1000, W100 = 1,385 (–90 až +400 °C)  C-IT-0504S: /rozlišení převodníku není uvedeno/ , Pt1000 –90 .. 320 °C 0,5%  C-IR-0303M: /rozlišení převodníku není u...
  • analog output - Analogové výstupy modulu C-IT-0504S jsou určeny k vybuzení LED, které slouží jako indikace v modulech tlačítkových ovladačů, viz např. https://wiki.tecomat.cz/clanek/919-ovladac-gira-2001-xx-snimany-vstupnim-modulem-c-it-0504s . Zapojení najdete ve...